6 Meter J-Pole Antenna
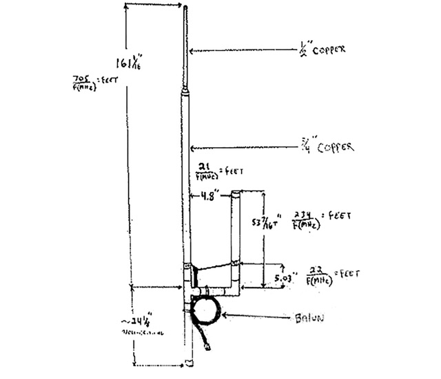
By W8CWEA home made J-Pole antenna for 50 MHz. This article describes how to build a J-Pole antenna for the 6-meter amateur radio band. It's a good choice for those who want an antenna with better performance than a simple wire dipole, but at a lower cost than buying a commercial antenna. The project requires soldering copper pipes and some specific materials, but can be built in a day
Hits: 65785 | Votes: 129 | Rating: 6.58
Resource Details
You will find this resource in 2 categories on our links directory. The title of the main category is 6 meter J-Pole Antenna and it deals mainly with Home made j-pole antennas for six meter band, 50 MHz . The link to this resource has been on our site since Tuesday Dec 31 2002, and it has been followed 65785 times. So far it received 129 votes for a total score of 6.58/10Last updated: 2024-06-07
Featured Article
This resource has been featured in the following Articles:- 6 antennas for 6 meters
Six different antenna projects for the Magic Band. Have you ever wanted to play 6 meters ? Try one of these antenna projects for six meters. - Six J-Pole Antenna Projects for 50 MHz
A selection of J-Pole Antenna Projects for 50 MHz band. These projects are an excellent starting point to build your j-pole for the six meter band.
Rate this resource
it received 129 votes for a total score of 6.58/10
The scale is 1 - 10, with 1 being poor and 10 being excellent.
Webmaster, add a Remote rating
