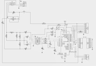
Antenna analyzer with Arduino
By Luca FacchinettiHF Antenna analyzer with Arduino Nano, open software has also become a commercial product
Resource Context: This resource is listed under the Vector Network Analyzer category at The DXZone.
It has been rated 3.77/10 by our users and is maintained in our archive for reference.
Hits: 13152 | Votes: 22 | Rating: 3.77
Resource Details
You will find this resource in 2 categories on our links directory. The title of the main category is Vector Network Analyzer and it deals mainly with Vector Network Analyzer Technical Reference and Projetcs . The link to this resource has been on our site since Friday Nov 29 2013, and it has been followed 13152 times. So far it received 22 votes for a total score of 3.77/10Last updated: 2024-12-09
Rate this resource
it received 22 votes for a total score of 3.77/10
The scale is 1 - 10, with 1 being poor and 10 being excellent.
Webmaster, add a Remote rating
